
Absolute maximum ratings(Ta=℃)
|
|
|
|
|
|
|
VCBO |
Collector-base voltage |
Open emitter |
140 |
V |
|
VCEO |
Collector-emitter voltage |
Open base |
140 |
V |
|
VEBO |
Emitter-base voltage |
Open collector |
5 |
V |
|
IC |
Collector current |
|
20 |
A |
|
IB |
Base current |
|
5 |
A |
|
IE |
Emitter current |
|
-25 |
A |
|
PD |
Total power dissipation |
TC=25℃ |
250 |
W |
|
Tj |
Junction temperature |
|
200 |
℃ |
|
Tstg |
Storage temperature |
|
-65~200 |
℃ |
THERMAL CHARACTERISTICS
|
SYMBOL |
PARAMETER |
MAX |
UNIT |
|
Rth j-c |
Thermal resistance junction to case |
0.7 |
℃/W |
CHARACTERISTICS
Tj=25℃ unless otherwise specified
|
SYMBOL |
PARAMETER |
CONDITIONS |
MIN |
TYP. |
MAX |
UNIT |
|
VCEO(SUS) |
Collector-emitter sustaining voltage |
IC=0.2A ;IB=0 |
140 |
|
|
V |
|
VCEsat |
Collector-emitter saturation voltage |
IC=5A; IB=0.5A |
|
|
1.0 |
V |
|
VBE |
Base-emitter on voltage |
IC=5A ; VCE=2V |
|
|
2.0 |
V |
|
ICEO |
Collector cut-off current |
VCE=140V; IB=0 |
|
|
0.25 |
mA |
|
ICEX |
Collector cut-off current |
VCE=140V; VBE(off)=1.5V TC=150℃ |
|
|
0.1 2.0 |
mA |
|
IEBO |
Emitter cut-off current |
VEB=5V; IC=0 |
|
|
0.1 |
mA |
|
hFE |
DC current gain |
IC=5A ; VCE=2V |
25 |
|
150 |
|
|
Is/b |
Second breakdown collector current With base forward biased |
VCE=50Vdc,t=1 s, Nonrepetitive |
5 |
|
|
A |
|
VCE=100Vdc,t=1 s, Nonrepetitive |
1 |
|||||
|
COB |
Output capacitance |
IE=0 ; VCB=10V;f=1.0MHz |
|
|
1000 |
pF |
|
fT |
Transition frequency |
IC=0.5A ; VCE=10V;f=0.5MHz |
2 |
|
|
MHz |
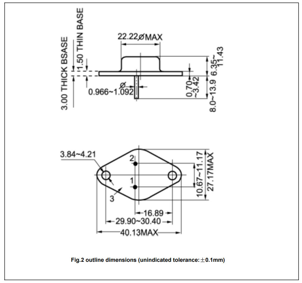
PACKAGE OUTLINE

If you are interested in the product, contact 2bvideo.com for more information for more information
The information of 2bvideo.com limited shown above is provided by the user or collected on the network. Video 2B does not guarantee the authenticity,accuracy and legitimacy of 2bvideo.com limited information. Video 2B does not involve legal relationships and disputes between users arising from transactions other than secured transactions on this website. Disputes shall be settled by you through negotiation. If you are the person in charge or relevant employee of this enterprise, if you find that the enterprise information is incorrect or want to manage thiscompany, please contact us jacklee1558@gmail.com, after you claim the enterprise, you can obtain management permission, publish supplyand demand information, bring consulting orders, and remove page advertisements.
Main Product:
Semiconductor Triac,
Semiconductor Thyristor,
Semiconductor Module ,
Power Diode,
Silicon Transistor,
Bridge Rectifier