Get Quote
730 people are quoting
X

Aviation DC Relay Baoji

25 0
Product details

Military Aviation DPDT Metal Sealed DC Relay JMC-10M 27V

Product Overview

The JMC-10M Military Aviation DPDT Metal Sealed DC Relay represents specialized aerospace relay technology designed as a direct replacement for Russian aviation relay systems while incorporating enhanced reliability features. As an authentic DPDT 8Pin 27V Relay with full hermetic sealing, this component provides precise dual-circuit control capability for modern avionics, flight control systems, and military electronics where both specification compliance and enhanced performance are critical requirements.

Metal Sealed DC Relay JMC-10M 27V

Technical Specifications

DPDT Electrical Performance

  • Military Designation: JMC-10M (Russian Aviation Replacement)
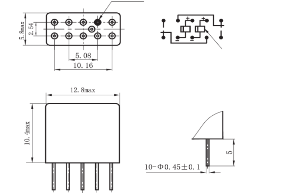
  • Configuration: True DPDT (Double Pole Double Throw) 8-Pin
  • Operating Voltage: 27V DC Standard (24V/30V Compatible)
  • Coil Power Efficiency: 0.3-0.43W Optimized Consumption
  • Contact Rating: 1A at 28V DC, Resistive Load per Pole

Aviation Performance Characteristics

  • Contact Resistance: Initial ≤50mΩ; Post-service ≤200mΩ
  • Precision Signal Capability: (10-50)μA at (10-50)mV operation
  • Aviation Service Life: 1×10⁶ operations at rated conditions
  • Flight-Critical Response: Operate Time ≤4ms; Release Time ≤4ms
  • Control Signal Requirements: 10-50ms minimum activation pulse

Aviation Environmental Specifications

  • Altitude Performance Dielectric: 500V RMS (sea level); 250V RMS (cruise altitude)
  • Aviation Insulation Standard: >500MΩ (initial); >50MΩ (post-endurance)
  • Aerospace Weight Optimization: <3 grams (Flight Weight Critical)
  • Hermetic Seal Integrity: Leakage rate ≤10⁻³ Pa·cm³/s
  • Flight Environment Range: -55°C to +125°C operational capability
  • Vibration Resistance: RTCA/DO-160 Section 8 Category S compliance

Product Features & Advantages

Authentic Russian Aviation Replacement

The JMC-10M is engineered as a direct form-fit-function replacement for specific Russian aviation relay systems, maintaining full mechanical and electrical compatibility while incorporating modern reliability enhancements. This authentic replacement capability surpasses generic Aviation DC Relays and standard PCB Board Relays for Russian aircraft applications.

Advanced DPDT 8-Pin Configuration

Featuring true DPDT (Double Pole Double Throw) configuration with standard 8-pin layout, this relay provides simultaneous control of two independent circuits. This advanced design offers superior functionality compared to basic Automotive Relays and standard Industrial Power Relays, enabling complex control schemes in compact aviation packages.

Military-Grade Hermetic Sealing Technology

Incorporating aerospace-grade hermetic sealing specifically designed for altitude variations and cabin pressure differentials, the JMC-10M provides superior environmental protection. This specialized sealing technology exceeds the requirements of standard PCB Signal Relays and even many commercial Flash Relays.

YUMU Electronics Replacement Expertise

Our manufacturing incorporates specialized knowledge of Russian aviation specifications developed through extensive experience with Military Electromagnetic Relays and Sealed Magnetic Latching Relays. Each JMC-10M undergoes verification testing to ensure authentic replacement capability.

Application Scenarios

Russian Aviation System Replacement

  • MiG/Sukhoi Fighter Upgrades: Direct replacement in flight control and avionics systems
  • Russian Helicopter Maintenance: Mi-series and Ka-series helicopter electronics
  • Transport Aircraft Systems: Il-76, An-124, Tu-154 avionics replacements
  • Training Aircraft Electronics: Yak-130, L-39 training system maintenance

Modern Aerospace Applications

  • Unmanned Aerial Systems: Advanced UAV control circuit design and upgrades
  • Avionics Modernization: Legacy aircraft digital system retrofits
  • Flight Test Instrumentation: Data acquisition and control system components
  • Aircraft Engine Control: Turbine engine management and monitoring systems

Military & Industrial Control Systems

  • Military Vehicle Electronics: Armored vehicle and tactical system controls
  • Industrial Automation: High-reliability manufacturing control systems
  • Power Distribution Systems: Aerospace and military power management
  • Test & Measurement Equipment: Precision instrumentation and laboratory systems

Installation & Replacement Guidelines

Aircraft Replacement Procedure

  1. System Identification: Verify original relay specification matches JMC-10M requirements
  2. Aircraft Safety Procedures: Implement complete aircraft system de-energization
  3. Original Component Removal: Extract existing relay following aircraft technical manual
  4. Compatibility Verification: Confirm JMC-10M matches all mechanical and electrical parameters
  5. Aviation-Grade Installation: Install using aircraft-approved tools and techniques
  6. DPDT Circuit Connection: Connect both pole circuits following aircraft wiring diagrams
  7. Aircraft System Testing: Conduct comprehensive testing per aircraft maintenance procedures
  8. Maintenance Documentation: Record replacement in aircraft maintenance records

Aviation Installation Considerations

  • Follow aircraft manufacturer technical instructions precisely
  • Use calibrated torque tools for aviation fastener installation
  • Verify all environmental seals remain intact during installation
  • Test each DPDT pole independently before full system integration
  • Maintain proper aircraft maintenance documentation standards

Procurement Value Proposition

Aircraft Maintenance Advantages

  • Authentic System Compatibility: Guaranteed replacement for specific Russian aircraft systems
  • Reduced Aircraft Downtime: Immediate availability versus searching for original surplus
  • Enhanced Reliability: Modern manufacturing improves upon original component performance
  • Lifecycle Cost Reduction: Extended service life reduces maintenance frequency and costs

Technical & Operational Benefits

  • DPDT Functionality: Dual-circuit control capability in single component
  • Flight Environment Performance: Optimized for altitude and temperature variations
  • Weight Efficiency: Aerospace-optimized weight for flight applications
  • Technical Support: Comprehensive documentation and engineering support

Standards Compliance & Quality Assurance

The JMC-10M complies with multiple aviation and military standards:

  • Russian Aviation Replacement Specifications
  • DPDT Configuration Performance Standards
  • RTCA/DO-160 Environmental Conditions for Airborne Equipment
  • ISO 9001:2015 Quality Management System
  • Aerospace Hermetic Sealing Requirements
  • Military Component Reliability Standards
  • Aviation Military Metal Sealed DC Relay
  • Military Aviation Metal Sealed DC Relay JMC-10M 27V 
  • Metal Sealed DC Relay JMC-10M 27V for Aerospace replace Russia Relay
  • hermetically sealed relay 27V Military Grade DPDT 8Pin Relay JMC-10M
  • DPDT 8Pin Relay  Military Grade Relay 27V JMC-10M
  • JMC-10M 27V 30V
  •  
  •  
  • Metal Relay Designed for Aviation and Military Applications
  • Aviation Relay with Military Grade Metal Design
  • Military Aviation Relay for Drone,Aircraft Engine PCB Board 
  • High quality Aviation relay for Engine,Train,Plane maintain

YUMU Electronics maintains aviation-specific quality systems developed through manufacturing Polarized Relay JH-2S, New Energy Relays, and other components for aerospace applications.

Customization & Specialized Configurations

Available customization for specific aviation requirements:

  • Aircraft-Specific Configurations: Optimized for particular aircraft types or systems
  • Voltage-Specific Versions: Dedicated 24V, 27V, or 30V configurations
  • Aviation Documentation Packages: Custom technical data for specific aircraft programs
  • Enhanced Testing Protocols: Additional testing for specific aviation applications
  • Aircraft Maintenance Marking: Custom identification for aviation logistics systems

Our engineering expertise includes developing custom DPDT solutions for specialized applications, leveraging experience from producing Solid State Relays and Intermediate Power Relays for demanding environments.

Aviation-Grade Production Process

Aircraft Component Manufacturing

Each JMC-10M undergoes specialized manufacturing for aviation applications:

  1. Aviation Material Certification: Materials verified for aircraft service conditions
  2. DPDT Precision Manufacturing: Advanced fabrication for dual-circuit configuration
  3. Aviation Assembly Standards: Assembly meeting aircraft component requirements
  4. Aerospace Sealing Technology: Sealing processes validated for flight environments
  5. Comprehensive Performance Testing: Testing simulating flight conditions and profiles
  6. Aviation Quality Verification: Final inspection meeting aircraft component standards

Aviation Quality Assurance

  • Altitude and pressure cycle testing for flight validation
  • Vibration testing per aircraft environmental requirements
  • Extended temperature testing across flight envelope
  • DPDT configuration performance verification
  • Documentation meeting aircraft maintenance requirements
  • Traceability systems for aviation logistics and maintenance

Frequently Asked Questions

What specific Russian aircraft systems does the JMC-10M replace?

The JMC-10M is designed as a direct replacement for specific Russian aviation relay systems used in various MiG, Sukhoi, Ilyushin, and Tupolev aircraft models. Exact compatibility should be verified against aircraft technical documentation and original component specifications.

How does the DPDT configuration benefit aircraft systems?

The DPDT (Double Pole Double Throw) configuration allows control of two independent circuits with a single relay, reducing component count, simplifying wiring, and providing synchronized switching—particularly valuable in aircraft systems where space and weight are critical considerations.

What testing validates aviation replacement compatibility?

Each production batch undergoes comprehensive testing including mechanical dimension verification, electrical parameter matching, environmental testing to flight conditions, and functional testing in simulated aircraft circuits to validate replacement compatibility.

Can this relay be used in non-Russian aircraft with appropriate engineering?

While specifically designed as a Russian aviation replacement, with proper engineering evaluation and system adaptation, the JMC-10M could potentially be used in other applications. However, for Western aircraft designs, we recommend our Aviation Latching Relay or other products designed to Western specifications.

What documentation supports aircraft maintenance requirements?

We provide comprehensive technical documentation including performance specifications, test reports, compliance certificates, and installation guidelines formatted to support aircraft maintenance record-keeping and regulatory requirements.

Contact Now

If you are interested in the product, contact 2bvideo.com for more information for more information

To:
XI'AN YUMU ELECTRONICS TECHNOLOGY CO.,LTD
Message:
Submit
Disclaimer:

The information of 2bvideo.com limited shown above is provided by the user or collected on the network. Video 2B does not guarantee the authenticity,accuracy and legitimacy of 2bvideo.com limited information. Video 2B does not involve legal relationships and disputes between users arising from transactions other than secured transactions on this website. Disputes shall be settled by you through negotiation. If you are the person in charge or relevant employee of this enterprise, if you find that the enterprise information is incorrect or want to manage thiscompany, please contact us jacklee1558@gmail.com, after you claim the enterprise, you can obtain management permission, publish supplyand demand information, bring consulting orders, and remove page advertisements.

Audited supplier
2 year
Address: Xian, China


Main Product: Metal Sealing Relay, Polarized Relay, Latching relay, PCB Board Relay, Aviation Metal Latching Relay , Flash Relay

Disclaimer:
The information of 2bvideo.com limited shown above is provided by the user or collected on the network. Video 2B does not guarantee the authenticity,accuracy and legitimacy of 2bvideo.com limited information. Video 2B does not involve legal relationships and disputes between users arising from transactions other than secured transactions on this website. Disputes shall be settled by you through negotiation. If you are the person in charge or relevant employee of this enterprise, if you find that the enterprise information is incorrect or want to manage thiscompany, please contact us jacklee1558@gmail.com, after you claim the enterprise, you can obtain management permission, publish supplyand demand information, bring consulting orders, and remove page advertisements.
Content Us