WR Guide Ring (Support Ring)
Material: Phenolic resin with fabric reinforcement
Working conditions

Maximum speed 1.0 m/s
Temperature Range: -45°C to +130°C
Working medium: Hydraulic oil
Features
High load-bearing capacity
·Low friction coefficient
Impact-resistant
Design Description
The guide ring is a highly effective, heavy-load, and user-friendly support material. It is commonly used for guiding the piston/piston rod of hydraulic cylinders, capable of withstanding high lateral loads. It prevents direct metal-to-metal contact and provides protective function for the sliding surface.
Materials: Phenolic resin with fabric reinforcement, Polyoxymethylene (POM)
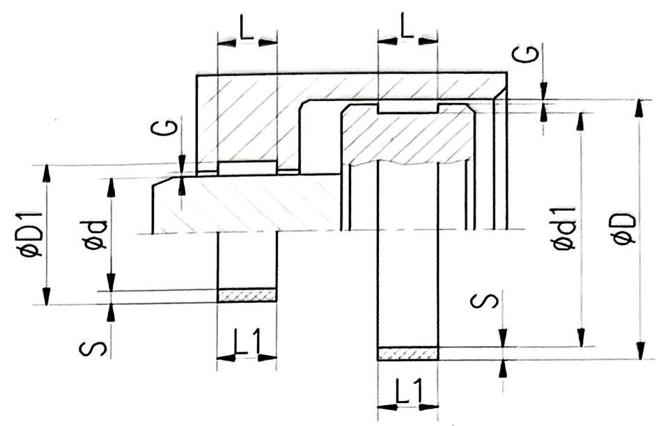
Groove design and tolerances
| φd | φD1 | φD | φd1 | L | ||
| f9 | H9 | H9 | f9 | +0.0 +0.02 |
||
G is generally set between 0.35 and 0.8, with Gmax determined by the extrusion clearance of the sealing element; when not used in conjunction with a sealing element, Gmax can be set to 0.8mm. Guide ring tolerance
| L1 | S | opening width W | ||||
| -0.1 -0.5 |
-0.02 -0.08 |
1.5 ~6 | ||||
Range of cross-sectional dimensions
| L trench width | L trench width | S product thickness | ||||
| 3.2 | 15 | 1.5 | ||||
| 4.2 | 20 | 2.5 | ||||
| 6.1 | 25 | 3 | ||||
| 8.1 | 30 | 4 | ||||
| 9.7 | 35 | 5 | ||||
| 12 | 40 | |||||

Excavator Cylinder Seals Support Ring It can absorb lateral load and restrain mechanical vibration.
Due to its adaptability to various media, it has strong adaptability to working conditions.
Even after a long period of inactivity, there is no creeping phenomenon during startup.
Excavator Cylinder Piston Seals Brown-WR
| WR Specification Details |
||||||||||||||
| Specification Details | Specification Details | Specification Details | Specification Details | |||||||||||
| D H9 | d h9 | T | D H9 | d h9 | T | D H9 | d h9 | T | D H9 | d h9 | T | |||
| 35 | 30 | 10 | 130 | 121 | 15 | 200 | 188 | 22.5 | 120 | 114 | 30 | |||
| 35 | 30 | 20 | 130 | 123 | 15 | 200 | 192 | 22.5 | 120 | 115 | 30 | |||
| 35 | 30 | 25 | 130 | 124 | 15 | 200 | 192 | 25 | 120 | 114 | 35 | |||
| 35 | 30 | 30 | 130 | 125 | 15 | 200 | 194 | 25 | 120 | 115 | 35 | |||
| 40 | 35 | 8 | 130 | 124 | 18 | 200 | 192 | 30 | 125 | 117 | 8 | |||
| 40 | 35 | 9.5 | 130 | 120 | 20 | 200 | 194 | 30 | 125 | 119 | 8 | |||
| 40 | 35 | 15 | 130 | 123 | 20 | 200 | 194 | 35 | 125 | 120 | 8 | |||
| 40 | 35 | 20 | 130 | 125 | 20 | 200 | 192 | 40 | 125 | 118 | 9.5 | |||
| 45 | 40 | 8 | 130 | 123 | 25 | 200 | 194 | 40 | 125 | 119 | 9.5 | |||
| 45 | 40 | 9.5 | 130 | 125 | 25 | 200 | 192 | 45 | 125 | 120 | 9.5 | |||
| 45 | 40 | 12 | 130 | 120 | 30 | 200 | 192 | 50 | 125 | 120 | 12.5 | |||
| 45 | 39 | 15 | 130 | 123 | 30 | 200 | 194 | 50 | 125 | 115 | 15 | |||
| 45 | 40 | 15 | 130 | 124 | 30 | 215 | 209 | 20 | 125 | 117 | 15 | |||
| 45 | 39 | 20 | 130 | 125 | 30 | 225 | 219 | 20 | 125 | 118 | 15 | |||
| 45 | 40 | 20 | 130 | 123 | 35 | 215.9 | 209.55 | 82.5 | 125 | 119 | 15 | |||
| 45 | 40 | 25 | 130 | 123 | 40 | 250 | 245 | 15 | 125 | 120 | 15 | |||
| 45 | 40 | 30 | 135 | 127 | 8 | 200 | 188 | 25 | 125 | 115 | 20 | |||
| 50 | 44 | 8 | 135 | 129 | 8 | 230 | 225 | 15 | 125 | 118 | 20 | |||
| 50 | 45 | 8 | 135 | 130 | 8 | 235 | 230 | 15 | 125 | 119 | 20 | |||
| 50 | 45 | 9.5 | 135 | 125 | 9.5 | 250 | 244 | 30 | 125 | 120 | 20 | |||
| 50 | 45 | 12 | 135 | 128 | 9.5 | 260 | 254 | 30 | 125 | 119 | 25 | |||
| 50 | 45 | 15 | 135 | 130 | 9.5 | 215 | 209 | 25 | 125 | 120 | 25 | |||
| 50 | 44 | 20 | 135 | 127 | 9.5 | 73.03 | 66.88 | 22 | 125 | 118 | 30 | |||
| 50 | 45 | 20 | 135 | 130 | 12.5 | 116 | 110 | 30 | 125 | 119 | 30 | |||
| 50 | 45 | 25 | 135 | 125 | 15 | 118 | 108 | 15 | 125 | 120 | 30 | |||
| 50 | 45 | 30 | 135 | 127 | 15 | 230 | 223 | 20 | 125 | 119 | 35 | |||
| 50 | 45 | 35 | 135 | 128 | 15 | 200 | 192 | 28.5 | 125 | 120 | 40 | |||
| 55 | 50 | 8 | 135 | 129 | 15 | 210 | 202 | 28.5 | 125 | 118 | 50 | |||
| 55 | 50 | 9.5 | 135 | 130 | 15 | 225 | 217 | 50 | 125 | 120 | 50 | |||
| 55 | 50 | 15 | 135 | 128 | 20 | 220 | 215 | 25 | 140 | 135 | 8 | |||
| 55 | 50 | 20 | 135 | 129 | 20 | 220 | 215 | 20 | 140 | 128 | 9.5 | |||
| 55 | 50 | 25 | 135 | 127 | 25 | 250 | 238 | 25 | 140 | 135 | 9.5 | |||
| 55 | 50 | 30 | 135 | 128 | 25 | 230 | 224 | 30 | 140 | 133 | 9.5 | |||
| 60 | 54 | 8 | 135 | 129 | 25 | 230 | 225 | 25 | 140 | 135 | 12 | |||
| 60 | 55 | 8 | 135 | 130 | 28 | 225 | 213 | 25 | 140 | 128 | 12.5 | |||
| 60 | 55 | 9.5 | 135 | 129 | 30 | 280 | 272 | 15 | 140 | 133 | 12.5 | |||
| 60 | 55 | 12 | 135 | 128 | 35 | 250 | 242 | 25 | 140 | 133 | 15 | |||
| 60 | 54 | 15 | 135 | 129 | 35 | 220 | 212 | 28 | 140 | 135 | 15 | |||
| 60 | 55 | 15 | 135 | 128 | 50 | 220 | 214 | 25 | 140 | 128 | 17.5 | |||
| 60 | 54 | 20 | 130 | 124 | 25 | 65 | 60 | 6 | 140 | 133 | 17.5 | |||
| 60 | 55 | 20 | 130 | 124 | 26 | 65 | 60 | 9.5 | 140 | 128 | 20 | |||
| 60 | 55 | 25 | 135 | 125 | 8 | 65 | 55 | 10 | 140 | 133 | 20 | |||
| 60 | 55 | 30 | 135 | 128 | 12.5 | 65 | 59 | 10 | 140 | 135 | 20 | |||
| 63 | 58 | 6 | 135 | 130 | 25 | 65 | 59 | 15 | 140 | 133 | 25 | |||
| 63 | 58 | 8 | 150 | 142 | 8 | 65 | 60 | 15 | 140 | 134 | 25 | |||
| 63 | 58 | 9.5 | 150 | 145 | 8 | 65 | 59 | 20 | 140 | 135 | 25 | |||
| 63 | 58 | 12 | 150 | 145 | 9.5 | 65 | 60 | 20 | 140 | 133 | 30 | |||
| 63 | 58 | 15 | 150 | 143 | 10 | 65 | 60 | 25 | 140 | 134 | 30 | |||
| 63 | 58 | 20 | 150 | 138 | 12.5 | 65 | 60 | 30 | 140 | 135 | 30 | |||
| 63 | 58 | 25 | 150 | 145 | 12.5 | 70 | 65 | 6 | 140 | 133 | 35 | |||
| 85 | 80 | 6 | 150 | 138 | 15 | 70 | 65 | 9.5 | 140 | 135 | 35 | |||
| 85 | 80 | 9.5 | 150 | 142 | 15 | 70 | 65 | 12 | 140 | 133 | 40 | |||
| 85 | 75 | 10 | 150 | 143 | 15 | 70 | 64 | 12.5 | 140 | 134 | 40 | |||
| 85 | 79 | 10 | 150 | 145 | 15 | 70 | 64 | 15 | 140 | 133 | 45 | |||
| 85 | 80 | 12 | 150 | 138 | 17.5 | 70 | 65 | 15 | 140 | 133 | 50 | |||
| 85 | 79 | 12 | 150 | 143 | 17.5 | 70 | 64 | 20 | 140 | 134 | 50 | |||
| 85 | 77 | 15 | 150 | 142 | 20 | 70 | 65 | 20 | 140 | 135 | 50 | |||
| 85 | 79 | 15 | 150 | 143 | 20 | 70 | 65 | 25 | 145 | 140 | 8 | |||
| 85 | 80 | 15 | 150 | 145 | 20 | 75 | 69 | 9.7 | 145 | 138 | 9.5 | |||
| 85 | 79 | 20 | 150 | 143 | 21 | 75 | 70 | 6 | 145 | 140 | 9.5 | |||
| 85 | 80 | 20 | 150 | 143 | 22 | 75 | 70 | 8 | 145 | 137 | 9.5 | |||
| 85 | 79 | 25 | 150 | 143 | 25 | 75 | 70 | 9.5 | 145 | 140 | 12.5 | |||
| 85 | 80 | 25 | 150 | 145 | 25 | 75 | 69 | 12 | 145 | 137 | 15 | |||
| 85 | 79 | 30 | 150 | 143 | 30 | 75 | 70 | 12 | 145 | 138 | 15 | |||
| 85 | 80 | 35 | 150 | 143 | 35 | 75 | 69 | 12.5 | 145 | 140 | 15 | |||
| 90 | 85 | 6 | 150 | 144 | 35 | 75 | 69 | 15 | 145 | 138 | 20 | |||
| 90 | 85 | 9.5 | 150 | 145 | 35 | 75 | 70 | 15 | 145 | 140 | 20 | |||
| 90 | 81 | 9.5 | 150 | 143 | 40 | 75 | 69 | 20 | 145 | 138 | 25 | |||
| 90 | 84 | 10 | 150 | 144 | 40 | 75 | 70 | 20 | 145 | 140 | 25 | |||
| 90 | 81 | 12.5 | 150 | 145 | 40 | 75 | 69 | 25 | 145 | 138 | 30 | |||
| 90 | 84 | 12.5 | 150 | 143 | 45 | 75 | 70 | 25 | 145 | 140 | 30 | |||
| 90 | 85 | 12.5 | 150 | 143 | 50 | 75 | 70 | 30 | 145 | 138 | 35 | |||
| 90 | 82 | 15 | 150 | 144 | 50 | 75 | 70 | 40 | 145 | 138 | 50 | |||
| 90 | 84 | 15 | 150 | 145 | 50 | 75 | 70 | 50 | 145 | 140 | 50 | |||
| 90 | 85 | 15 | 155 | 150 | 8 | 80 | 74 | 6 | 140 | 128 | 15 | |||
| 90 | 84 | 20 | 155 | 150 | 10 | 80 | 75 | 6 | 145 | 137 | 20 | |||
| 90 | 85 | 20 | 155 | 150 | 15 | 80 | 74 | 8 | 145 | 138 | 40 | |||
| 90 | 84 | 25 | 155 | 150 | 20 | 80 | 75 | 9.5 | 160 | 155 | 25 | |||
| 90 | 85 | 25 | 155 | 150 | 20 | 80 | 74 | 10 | 160 | 153 | 30 | |||
| 90 | 84 | 30 | 155 | 150 | 30 | 80 | 74 | 12 | 160 | 152 | 35 | |||
| 90 | 84 | 35 | 160 | 155 | 8 | 80 | 75 | 12 | 160 | 153 | 35 | |||
| 90 | 85 | 35 | 160 | 155 | 9.5 | 80 | 74 | 15 | 160 | 153 | 40 | |||
| 90 | 85 | 40 | 160 | 148 | 10 | 80 | 75 | 15 | 160 | 154 | 40 | |||
| 95 | 85 | 6 | 160 | 153 | 10 | 80 | 74 | 20 | 160 | 155 | 40 | |||
| 95 | 87 | 6 | 160 | 155 | 10 | 80 | 75 | 20 | 160 | 153 | 45 | |||
| 95 | 90 | 6 | 160 | 155 | 12.5 | 80 | 74 | 25 | 160 | 154 | 50 | |||
| 95 | 86 | 9.5 | 160 | 148 | 15 | 80 | 75 | 25 | 160 | 155 | 50 | |||
| 95 | 90 | 9.5 | 160 | 153 | 15 | 80 | 74 | 30 | 165 | 157 | 9.5 | |||
| 95 | 89 | 10 | 160 | 155 | 15 | 80 | 75 | 30 | 165 | 159 | 9.5 | |||
| 95 | 86 | 12 | 160 | 148 | 20 | 100 | 94 | 6 | 165 | 157 | 10 | |||
| 95 | 90 | 12.5 | 160 | 150 | 20 | 100 | 95 | 6 | 165 | 160 | 10 | |||
| 95 | 89 | 12.5 | 160 | 153 | 20 | 100 | 95 | 8 | 165 | 157 | 15 | |||
| 95 | 87 | 15 | 160 | 155 | 20 | 100 | 92 | 9.5 | 165 | 158 | 15 | |||
| 95 | 89 | 15 | 160 | 153 | 21 | 100 | 95 | 9.5 | 165 | 159 | 15 | |||
| 95 | 90 | 15 | 160 | 148 | 22 | 100 | 91 | 10 | 165 | 160 | 15 | |||
| 95 | 89 | 20 | 160 | 153 | 25 | 100 | 94 | 10 | 165 | 157 | 20 | |||
| 95 | 90 | 20 | 170 | 165 | 8 | 100 | 94 | 11 | 165 | 160 | 20 | |||
| 95 | 89 | 25 | 170 | 162 | 9 | 100 | 91 | 12.5 | 165 | 157 | 25 | |||
| 95 | 90 | 25 | 170 | 164 | 9.5 | 100 | 94 | 12.5 | 165 | 159 | 25 | |||
| 95 | 89 | 30 | 170 | 165 | 9.5 | 100 | 95 | 12.5 | 165 | 160 | 25 | |||
| 95 | 90 | 50 | 170 | 162 | 10 | 100 | 92 | 15 | 165 | 157 | 30 | |||
| 110 | 104 | 6 | 170 | 164 | 12.5 | 100 | 94 | 15 | 165 | 159 | 30 | |||
| 110 | 105 | 6 | 170 | 165 | 12.5 | 100 | 95 | 15 | 165 | 160 | 30 | |||
| 110 | 102 | 8 | 170 | 162 | 15 | 100 | 94 | 20 | 165 | 157 | 35 | |||
| 110 | 105 | 8 | 170 | 165 | 15 | 100 | 95 | 20 | 165 | 160 | 35 | |||
| 110 | 101 | 9.5 | 170 | 158 | 20 | 100 | 94 | 22 | 165 | 160 | 40 | |||
| 110 | 105 | 9.5 | 170 | 162 | 20 | 100 | 94 | 25 | 165 | 157 | 45 | |||
| 110 | 104 | 11 | 170 | 164 | 20 | 100 | 95 | 25 | 165 | 157 | 50 | |||
| 110 | 104 | 12 | 170 | 165 | 20 | 100 | 92 | 30 | 165 | 158 | 50 | |||
| 110 | 101 | 12.5 | 170 | 162 | 22 | 100 | 94 | 30 | 160 | 152 | 9 | |||
| 110 | 102 | 12.5 | 170 | 162 | 25 | 100 | 95 | 30 | 160 | 154 | 15 | |||
| 110 | 105 | 12.5 | 170 | 165 | 25 | 105 | 100 | 6 | 165 | 158 | 25 | |||
| 110 | 101 | 15 | 170 | 162 | 30 | 105 | 100 | 8 | 175 | 170 | 10 | |||
| 110 | 102 | 15 | 170 | 165 | 30 | 105 | 96 | 9.7 | 175 | 168 | 15 | |||
| 110 | 104 | 15 | 170 | 162 | 35 | 105 | 100 | 9.5 | 175 | 167 | 25 | |||
| 110 | 105 | 15 | 170 | 164 | 35 | 105 | 99 | 10 | 175 | 168 | 25 | |||
| 110 | 104 | 20 | 170 | 165 | 35 | 105 | 96 | 12.5 | 175 | 170 | 25 | |||
| 110 | 105 | 20 | 170 | 162 | 40 | 105 | 99 | 12.5 | 175 | 169 | 50 | |||
| 110 | 104 | 22.5 | 170 | 163 | 40 | 105 | 100 | 12.5 | 180 | 172 | 50 | |||
| 110 | 102 | 25 | 170 | 162 | 45 | 105 | 99 | 15 | 180 | 173 | 50 | |||
| 110 | 104 | 25 | 170 | 162 | 50 | 105 | 100 | 15 | 180 | 174 | 50 | |||
| 110 | 105 | 25 | 170 | 164 | 50 | 105 | 99 | 20 | 180 | 175 | 50 | |||
| 110 | 104 | 27.5 | 170 | 165 | 50 | 105 | 100 | 20 | 180 | 172 | 55 | |||
| 110 | 104 | 30 | 180 | 175 | 8 | 105 | 99 | 25 | 185 | 180 | 10 | |||
| 110 | 105 | 30 | 180 | 175 | 9.5 | 105 | 96 | 25 | 185 | 177 | 15 | |||
| 110 | 103 | 35 | 180 | 172 | 9.5 | 105 | 100 | 25 | 185 | 180 | 15 | |||
| 110 | 104 | 35 | 180 | 172 | 12.5 | 105 | 99 | 30 | 185 | 173 | 20 | |||
| 110 | 104 | 40 | 180 | 175 | 12.5 | 50 | 45 | 6 | 185 | 173 | 22.5 | |||
| 115 | 110 | 6 | 180 | 172 | 15 | 75 | 69 | 30 | 185 | 180 | 22.5 | |||
| 115 | 107 | 8 | 180 | 174 | 15 | 80 | 75 | 8 | 185 | 177 | 25 | |||
| 115 | 110 | 8 | 180 | 175 | 15 | 80 | 72 | 15 | 185 | 180 | 25 | |||
| 115 | 106 | 9.5 | 180 | 172 | 20 | 85 | 80 | 8 | 185 | 177 | 45 | |||
| 115 | 110 | 9.5 | 180 | 174 | 20 | 90 | 85 | 8 | 185 | 180 | 50 | |||
| 115 | 109 | 10 | 180 | 175 | 20 | 90 | 84 | 8 | 190 | 185 | 8 | |||
| 115 | 110 | 12.5 | 180 | 168 | 22.5 | 90 | 82 | 12.5 | 190 | 185 | 9.5 | |||
| 115 | 109 | 15 | 180 | 172 | 22.5 | 95 | 90 | 8 | 190 | 182 | 10 | |||
| 115 | 110 | 15 | 180 | 173 | 22.5 | 95 | 84 | 20 | 190 | 182 | 15 | |||
| 115 | 105 | 15 | 180 | 172 | 25 | 120 | 112 | 6 | 190 | 184 | 15 | |||
| 115 | 106 | 15 | 180 | 175 | 25 | 120 | 114 | 6 | 190 | 185 | 15 | |||
| 115 | 107 | 15 | 180 | 172 | 30 | 120 | 112 | 8 | 190 | 182 | 20 | |||
| 115 | 105 | 20 | 180 | 175 | 30 | 120 | 115 | 8 | 190 | 184 | 20 | |||
| 115 | 110 | 20 | 180 | 172 | 35 | 120 | 112 | 9.5 | 190 | 185 | 20 | |||
| 115 | 110 | 25 | 180 | 174 | 35 | 120 | 115 | 9.5 | 190 | 182 | 22.5 | |||
| 115 | 109 | 30 | 180 | 175 | 35 | 120 | 111 | 10 | 190 | 182 | 25 | |||
| 115 | 110 | 30 | 180 | 172 | 40 | 120 | 114 | 10 | 190 | 182 | 28.5 | |||
| 115 | 110 | 35 | 180 | 174 | 40 | 120 | 114 | 11 | 190 | 182 | 30 | |||
| 105 | 97 | 15 | 180 | 175 | 40 | 120 | 114 | 12 | 190 | 184 | 30 | |||
| 110 | 104 | 9.5 | 180 | 172 | 45 | 120 | 115 | 12.5 | 190 | 185 | 30 | |||
| 115 | 109 | 12.5 | 180 | 173 | 45 | 120 | 111 | 15 | 190 | 182 | 35 | |||
| 120 | 115 | 6 | 200 | 195 | 8 | 120 | 112 | 15 | 190 | 182 | 40 | |||
| 120 | 110 | 15 | 200 | 195 | 9.5 | 120 | 114 | 15 | 190 | 182 | 50 | |||
| 125 | 117 | 9.7 | 200 | 192 | 10 | 120 | 115 | 15 | 190 | 184 | 50 | |||
| 130 | 125 | 6 | 200 | 194 | 10 | 120 | 113 | 20 | 195 | 190 | 10 | |||
| 130 | 125 | 8 | 200 | 192 | 15 | 120 | 114 | 20 | 195 | 190 | 15 | |||
| 130 | 120 | 9.5 | 200 | 194 | 15 | 120 | 115 | 20 | 195 | 190 | 20 | |||
| 130 | 125 | 9.5 | 200 | 195 | 15 | 120 | 114 | 22.5 | 195 | 190 | 25 | |||
| 130 | 123 | 9.5 | 200 | 192 | 20 | 120 | 114 | 25 | 195 | 190 | 30 | |||
| 130 | 125 | 12.5 | 200 | 194 | 20 | 120 | 115 | 25 | 170 | 162 | 12.5 | |||
| 130 | 120 | 15 | 200 | 195 | 20 | 120 | 114 | 27.5 | 170 | 164 | 15 | |||
| 120 | 113 | 30 | 185 | 173 | 15 |
|||||||||
If you are interested in the product, contact 2bvideo.com for more information for more information
The information of 2bvideo.com limited shown above is provided by the user or collected on the network. Video 2B does not guarantee the authenticity,accuracy and legitimacy of 2bvideo.com limited information. Video 2B does not involve legal relationships and disputes between users arising from transactions other than secured transactions on this website. Disputes shall be settled by you through negotiation. If you are the person in charge or relevant employee of this enterprise, if you find that the enterprise information is incorrect or want to manage thiscompany, please contact us jacklee1558@gmail.com, after you claim the enterprise, you can obtain management permission, publish supplyand demand information, bring consulting orders, and remove page advertisements.
Main Product:
Excavator cylinder oil seals,
Hammer seals for breaking rock,
Seal repair kit,
Hydraulic support seal,
Polyurethane Photovoltaic Equipment,
Polyurethane wind energy equipment