The combination of metering pump and motor can realize automatic control, improve production efficiency and reduce manual intervention.

Basic parameter:

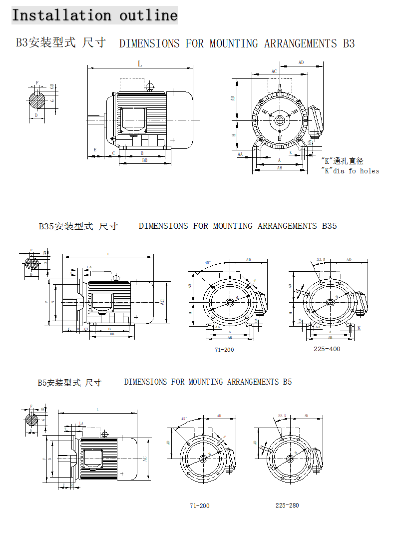
Structure chart:



If you need anything, please contact us.
Contact information:
Jack ding
MOB&Wechat: 0086 15152419599



If you are interested in the product, contact 2bvideo.com for more information for more information
The information of 2bvideo.com limited shown above is provided by the user or collected on the network. Video 2B does not guarantee the authenticity,accuracy and legitimacy of 2bvideo.com limited information. Video 2B does not involve legal relationships and disputes between users arising from transactions other than secured transactions on this website. Disputes shall be settled by you through negotiation. If you are the person in charge or relevant employee of this enterprise, if you find that the enterprise information is incorrect or want to manage thiscompany, please contact us jacklee1558@gmail.com, after you claim the enterprise, you can obtain management permission, publish supplyand demand information, bring consulting orders, and remove page advertisements.
Main Product:
Electric motor for air compressor,
Permanent magnet motor ,
Asynchronous motor,
Customized motors,
special motor,
AC motor