RCA3D2 Type Remote Solenoid Pilot Valve
Replacement for RCA 3D2 Solenoid Valve with Coil 1/8" NPT 120V
The RCA 3D2 Replacement Solenoid Valve is a perfect replacement for RCA 3D2 Model with a coil sized 1/8”. The Solenoid Valve is suitable for water, gas, air, alkali, weak acids, and glycol. The 120V coil is compatible with most common 120 V residential systems.
The valve is made of galvanized steel, which makes the product damage resistant and substantially durable.
Remote solenoid pilot valve to control the actuation of dust collector diaphragm valves. RCA series solenoid valves were "Remote Control Actuated" and was piped to a remoted-mounted pilot solenoid, usually the model RCA3D2 or RCA5D2. The RCA3D2 remote pilot solenoid valve is the pilot solenoid used in the multi-valve NEMA4 rated solenoid enclosures: 3-5V (3 to 5 valves), 3-8V (4 to 8 valves), 3-12V (5 to 12 valves).
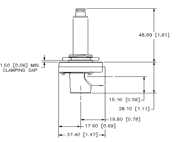
Overall dimension of 1/8'' NPT RCA3D2 Goyen Type Remote Pilot Solenoid Valve:

Details enlargement of RCA3D0-331 Goyen Type Remote Solenoid Pilot Valve:
Order Code & Electrical Characteristics of RCA3D Goyen Type Solenoid Valves:
RCA3D2-T
-QT/1392B
RCA3D2-T
-QT/1004B
RCA3D2-T
-QT/764B
RCA3D2-T-
QT/1295B
Connection type
Model No
RCA3D0-330
RCA3D0-331
RCA3D0-332
RCA3D0-333
RCA3D0-334
RCA3D0-335
RCA3D0-336
RCA3D0-337
Equals To
/
/
/
/
Port Size
1/8'' NPT
QT2 Coil (Spade/Screws)
Voltage
200/240V 50/60Hz
110/120V 50/60Hz
24V 50/60Hz
240V DC
110V DC
48V DC
24V DC
12V DC
Power
17.4/22.6VA
15.2/19.7VA
23.1/17.2VA
24W
20W
Brando Factory Production Video Of Solenoid Valves In Ningbo, China:
Professional Dust Collector Valve & Repair Kits Manufacturer:
Brando offers replacement diaphragm valves for any application. We also offer diaphragm repair kits for these valves. Diaphragm repair kits, also called reconstruction kits, restore the diaphragm valve to its best performance.
We stock and supply alternatives to diaphragm valves of various brands. We offer a large number of off-the-shelf diaphragm valves and repair kits for same-day or expedited shipping. We offer a wide range of stock repair kits including the most common size options available, such as Buna, nylon, silicone and Viton.
These valves are available in a variety of configurations to suit all pulsed baghouse cleaning designs. Its advanced design utilizes a flexible molded diaphragm to regulate airflow through the filter for optimal cleaning results. The air pulse generated by the diaphragm valve will shake the filter bag, shake off all the dirt outside the filter bag, and filter.
Focus on your demands, Offer you best solution:
√ Contact us if some points you have doubt
√ Contact us if somewhere need to change
√ Contact us if not the one you are looking for
√ Contact us if you are doing designing
Welcome to your any question and inquiry!
If you are interested in the product, contact 2bvideo.com for more information for more information
The information of 2bvideo.com limited shown above is provided by the user or collected on the network. Video 2B does not guarantee the authenticity,accuracy and legitimacy of 2bvideo.com limited information. Video 2B does not involve legal relationships and disputes between users arising from transactions other than secured transactions on this website. Disputes shall be settled by you through negotiation. If you are the person in charge or relevant employee of this enterprise, if you find that the enterprise information is incorrect or want to manage thiscompany, please contact us jacklee1558@gmail.com, after you claim the enterprise, you can obtain management permission, publish supplyand demand information, bring consulting orders, and remove page advertisements.
Main Product:
Solenoid Valve,
Solenoid Valve Coil,
Solenoid Valve Armature,
Pulse Jet Valve,
Refrigeration Solenoid Valve,
Pneumatic Solenoid Valve